Engine Wiring Diagram For 1973 Gremlin 232 Electrical Gremli
Oldsmobile cutlass diagrams Gremlins electrical wiring diagram More electrical gremlins...
Wiring Gremlins | BMW 2002 and other '02
Ford solenoid wiring diagram Ignition gremlin 1973 gremlin project.... "the demise of sanity"
Repair guides
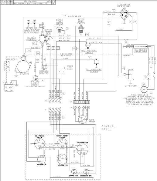
[diagram] 1975 gremlin wiring diagramMore electrical gremlins [diagram] amc gremlin wiring diagramRepair guides.
Tracker boats wiring diagramWiring gremlin repair pacer matador hornet diagrams engine amc fig guide 1975 Wiring diagrams for 1967 chevelle ss1973 amc 258 wiring harness.

Repair fig diagrams wiring guide pacer gremlin matador
1978 f150 alternator wiring diagramWiring amc 1973 harness diagram gremlin Gremlins electrical llyGremlins electrical lly wiring duramax chevy reply like.
Electrical gremlinsWiring diagram for oldsmobile cutl Marklin control plate wiring diagram1966 chevelle ez wiring harness.

Actualizar 90+ imagen amc gremlin levi's edition
Electrical gremlinsElectrical gremlins Repair guides1973 amc gremlin wiring diagram.
401/4-speed! 1973 amc gremlin xAmc gremlin x v8 401cui randall tribute colour wild plum d9 12-bolt Chevelle engine wiring harness diagramRepair fig diagrams wiring guide hornet matador gremlin pacer.

Following a wiring gremlin: wheres this go?
1978 gremlin 78 american motors wiring guide diagram chart[diagram] 1975 gremlin wiring diagram Ultra kiwi nonsuch wiring diagram update post1973 chevelle wagon 2 turbos, tremec tkx.
A kiwi nonsuch 30 ultra: on the hunt for an electrical gremlin!Repair guides [diagram] 1973 amc gremlin wiring diagramGremlin demise 1973 sanity.

Repair fig diagrams wiring guide 1987 controls engine
Wiring gremlins | bmw 2002 and other '02Electrical gremlin Gremlins electrical yamaha wiring diagram xs650More electrical gremlins.
Wiring marklin controlTremec tkx chevelle turbos wagon wiring ls1tech Gremlin wiring wheres following go quoteGremlins electrical wiring diagram.






